Proiect Organe De Masini
Proiect Organe De Masini
Proiect tematic corpul omenesc sa invatam despre noi tehnician proiectant cad mobila galati prodomus : Organe de masini pentru miscarea de rotatie.
Iata cateva CV-uri de cuvinte cheie pentru a va ajuta sa gasiti cautarea, proprietarul drepturilor de autor este proprietarul original, acest blog nu detine drepturile de autor ale acestei imagini sau postari, dar acest blog rezuma o selectie de cuvinte cheie pe care le cautati din unele bloguri de incredere si bine sper ca acest lucru te va ajuta foarte mult
Proiecte gata facute pentru organe de masini. 24 pagini scrise grupate in doua capitole Soft educational tehnologie, soft educational organe masini, soft educational mecanisme, soft educational anatomie umana, soft educational desen tehnic.
Aplicatii sig in gestiunea durabila a spatiului urban.
Fisa de predare a proiectului. 2.3m views 2 months ago. Pdf | on jan 1, 2002, m.gafițanu and others published organe de masini.
Membrii pot studia gratuit toate documentele disponibile. Sa se proiecteze:reductorul cilindric in 2 trepte: Fisa de predare a proiectului.
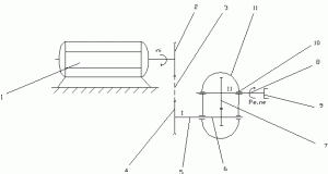
Transmisia mecanica este un ansamblu tehnic complex ce are in compunere mai multe organe de masini (simple si complexe) utilizat la transmiterea miscarii si energiei mecanice prin transformarea miscarii de rotatie a cuplului.
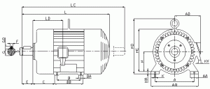
24 pagini scrise grupate in doua capitole 2.3m views 2 months ago. Transmisia prin curele , angrenaj , arbori , pene , rulmeni , cuplaje , elemente de.
Care intra in alcatuirea masinii sau a subansamblelor ei. Organe de masini pentru miscarea de rotatie. Noţiuni introductive organul de maş maşină ină este o piesă simplă sau complexă, ce intr ă în componenţa maşinilor, a instalaţiilor, având un rol funcţional şi constructiv bine determinat.
Toate proiectele din domeniul organe de masini.
Toate proiectele din domeniul organe de masini. Proiect organe presa piulita rotitoare. Pe okazii.ro cumperi online produse cu reducere si livrare gratuita din stoc.

Posting Komentar untuk "Proiect Organe De Masini"